- 手機:
- 13166117677
- 電話:
- 131-6611-7677
- 郵箱:
- 13166117677@qq.com
- 地址:
- 上海市嘉定區澄瀏中路1333號8幢102廠房
- 江蘇鹽城東臺服務熱線:13122224405
稷械超聲波焊接機采用國際流行的方鋼立柱結構,減少了40%后傾 。傳統超聲波焊接機立柱一般采用鋼管加工后表面電鍍工藝,采用先進環保噴粉烘烤油漆。從而減少因電鍍對環境的污染 。普通超聲波焊接機臺采用圓柱雙環鎖結構,機臺上下移動偏差大。采用高精密機床燕尾槽。

超聲波焊接機工作原理圖
超聲波焊接機主要技術性能指標
電器性能:工作頻率15KHz,20KHz,最大輸出功率:2600W,焊接時間:可調, 工作方式:半自動。機械性能:氣動壓力:2-6kg/cm,氣缸行程:75mm,電源:220v
超聲波焊接機主要由超聲波發生器、超聲波換能器、機械傳動三部分組成。機械傳動系統本系統是一種含操作臺由氣缸進行傳動的大型落地式裝置, 并采用條牙方法通過手輪調節焊頭的上下位置, 不設有水平調整機構。見圖。圖中, 發生器一抽屜, 啟動開關, 調平工作臺緊急制動開關指示燈, 工作壓力調節,工作速度調節上下移動手輪上下移動鎖定」氣源三聯件八門固定螺釘, 換能器換能器安裝座門。

超聲波焊接機結構圖
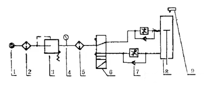
將氣源送入分水濾氣器, 經過壓力調節閥使壓力表讀數為使用壓力, 一般在2-6kg/cm之間。后又經油霧器再送入二位五通電磁換向閥, 該電磁閥的吸動信號由發生器控制, 換向閥氣路見圖圖中, 氣源分水濾氣器’壓力調節閥壓力指示表多油霧器二位五通電磁閥單向節流閥, 執行機構氣缸觸發開關。

超聲波焊接機氣路原理示意圖
初始狀態應是P、B通路, P、A斷路,使氣缸帶動的換能器焊頭向上復位, 當啟動開關信號送到發生器時,P 、B由原來通路變為斷路, 此時P、A由原來斷路變為通路,使氣缸帶動的換能器下降, 當下降至設定位置時觸動裝于機架內的微動開關, 以觸發超聲波發振工作, 發振及保壓時間由發生器預先設定觸發壓力10-70kg,可通過壓力調節盤預先調整控制觸發范圍, 待超聲、保壓結束后, 發生器自動又來一信號使電磁閥釋放, 二位五通電磁閥換向, 將換能器返回原處復位, 完成一次焊接過程, 壓力盤的調節是根據不同特性的焊頭和焊接對象而設定的。.
超聲波焊接機原理之電路部分結構,超聲波發生器系統由功率放大電路、順序控制電路、失配保護電路等組成。互功放電路是采用八只大功率晶體管組成的二組橋式帶功率的自激振電路, 通過輸出匹配網絡將功率再合成起來, 使輸出最大功率達到千瓦以上。由于振蕩電路是采用開關模式, 所以減少了晶體管的耗散功率,以取得較高的轉換效率。它的工作過程和原理可由圖3圖4來說明。
當啟動信號經控制電路送到偏置電路時, 二組偏置分別加到功放1的、BG1,BG4,和功放2的BG5、BG8, , 然后由輸出產生正反饋信號通過選頻網絡到移相器, 經移相后又激發功放1的BG2、BG3和功放2的BG6,BG7。由于對電路相位的正確分配, 使二組橋式功放的功率管處于開關狀態來建立振蕩過程, 并達到功率輸出目的, 二組功放管的輸出均為方波形式, 而經過匹配網絡后加到換能器時, 由于負載特性因素, 使換能器二端成為正弦波。該電路的振蕩頻率是由換能器和選頻網絡決定的, 選頻網絡可根據不同換能器頻率進行調整, 使網絡諧振頻率和換能器諧振頻率取得一致, 達到最佳匹配效果。

超聲波焊接機發生器原理圖
稷械超聲波焊接機的工作原理和機械結構基本相同,不同的是超聲波發生器的電路結構,不同型號的超聲波線路結構是不同的,模擬系統和只能系統的超聲波焊接機電路的原理也不完全相同。
上一條 : 抱歉暫無數據
下一條 : 超聲波焊接機的原理以及應用領域

